上银直线模组KK40系列参数
发布时间:2026-03-30 21:03
电影《光环》系列将科幻游戏的宏大宇宙搬上银幕。 #生活乐趣# #游戏乐趣# #游戏改编电影#
当前位置:首页 > 产品展示 > 精密线性模组 > KK系列直线模组 > KK40
KK40
KK40精密模组介绍:
特征:
设计及安装容易体积小重量轻
高精度
高刚性
配备齐全
最适化设计
应用:
FPD产业半导体产业
医疗自动化产业
面板传送定位
检测或试验环境
食品机构设备
KK40模组精密等级:
单位 mm
型号
轨道长度
定位重现性
定位精度
行走平行度
最大扭矩(N-cm)
精密级
一般级
精密级
一般级
精密级
一般级
精密级
一般级
KK40
100/150/200
±0.003
±0.01
0.020
--
0.010
--
1.2
0.8
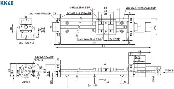
不含护盖的KK40精密模组尺寸说明:
轨道长度L2 (mm) 全长L1 (mm) 最大行程(mm) G(mm) n 重量(kg) A1滑座 A2滑座 A1滑座 A2滑座 100 159 36 --- 20 2 0.48 --- 150 209 86 34 15 3 0.6 0.67 200 259 136 84 40 3 0.72 0.79
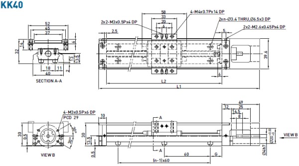
含护盖的KK40精密模组尺寸说明:
轨道长度L2
(mm)
全长L1
(mm)
最大行程(mm)
G(mm)
n
重量(mm)
A1滑座
A2滑座
A1滑座
A2滑座
100
159
36
---
20
2
0.55
---
150
209
86
34
15
3
0.68
0.76
200
259
136
84
40
3
0.82
0.89
网址:上银直线模组KK40系列参数 https://c.klqsh.com/news/view/359381
相关内容
打造线上老年大学,快手新知“老有学问”系列直播超6826万人次观看史上最大最高清银河系中心区域图像发布
省科技馆“酷玩列车”系列活动正式上线
【惠普光影精灵9 无界参数】惠普光影精灵9 无界系列笔记本电脑参数
银发社交新引擎:兴趣社群重构关系与变现模式
众邦银行上线“银发服务专区” 助力乐享幸福生活
邮储银行德州市分行组织参加“邮爱公益日”活动
北大书法所监制《翰智·中国书法数字化教学系统》上线
第四届中国私人银行精英赛(2023)收官 中信银行私人银行获奖人数居同业榜首
光大银行业绩发布会直击:消费贷贴息功能即将上线,人工智能算力已支撑840个场景应用

